首页
关于紫光
产品中心
新闻资讯
客户案例
联系我们
电源中继器
产品品牌:
紫光新锐
产品名称:
电源中继器
服务电话:
010-52802668
资料下载:
0
电源中继器
【电源中继器】
产品型号:TH-ZSPD
产品特点:
◆供电可靠性强,具有短路/过载/过压保护功能;
◆内置直流风扇强迫风冷,散热性好;
◆具有较强抗震性、耐用性,体积小,寿命长;
技术参数:
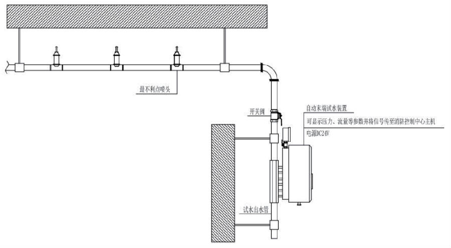
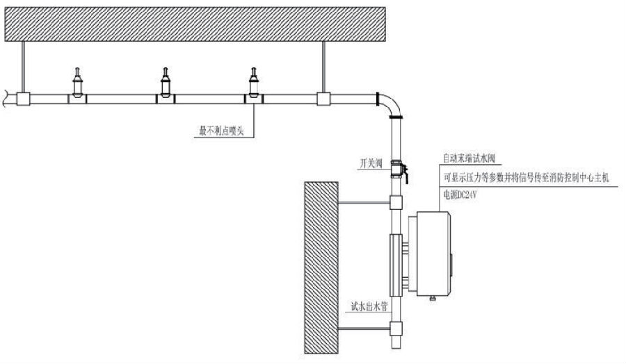
安装示意图: